甲型平焊法蘭NB/T47021-2012尺寸
作者來源:平焊法蘭 ??來源:法蘭管件生產廠家??? 發布時間:2020-08-19
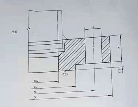
導讀:甲型平焊法蘭NB/T47021-2012標準尺寸對照表如下, 甲型平焊法蘭規格型號 甲型平焊法蘭外徑 甲型平焊法蘭螺栓孔中心距 甲型平焊法蘭密封面大小 甲型平焊法蘭凹槽尺寸 甲型平焊法蘭凸
甲型平焊法蘭NB/T47021-2012標準尺寸對照表如下,

甲 型 平 焊 法 蘭 規 格 型 號 |
甲 型 平 焊 法 蘭 外 徑 |
甲 型 平 焊 法 蘭 螺 栓 孔 中 心 距 |
甲 型 平 焊 法 蘭 密 封 面 大 小 |
甲 型 平 焊 法 蘭 凹 槽 尺 寸 |
甲 型 平 焊 法 蘭 凸 面 尺 寸 |
甲 型 平 焊 法 蘭 厚 度 |
螺 栓 孔 直 徑 |
螺 絲 型 號 |
甲 型 平 焊 法 多 少 個 螺 絲 |
---|---|---|---|---|---|---|---|---|---|
DN | D | D1 | D2 | D3 | D4 | ∮ | d | 規格 | 數量 |
300 | 415 | 380 | 350 | 340 | 337 | 26 | 18 | m16 | 16 |
350 | 465 | 430 | 400 | 390 | 387 | 26 | 18 | m16 | 16 |
400 | 515 | 480 | 450 | 440 | 437 | 30 | 18 | m16 | 20 |
450 | 565 | 530 | 500 | 490 | 487 | 34 | 18 | m16 | 24 |
500 | 630 | 590 | 555 | 545 | 542 | 34 | 23 | m20 | 20 |
550 | 680 | 640 | 605 | 595 | 592 | 38 | 23 | m20 | 24 |
600 | 730 | 690 | 655 | 645 | 642 | 40 | 23 | m20 | 24 |
650 | 780 | 740 | 705 | 695 | 692 | 44 | 23 | m20 | 28 |
700 | 830 | 790 | 755 | 745 | 742 | 46 | 23 | m20 | 32 |
800 | 930 | 790 | 755 | 745 | 742 | 46 | 23 | m20 | 32 |
900 | 1030 | 990 | 955 | 945 | 942 | 60 | 23 | m20 | 48 |
需要不銹鋼法蘭甲型平焊法蘭聯系我司。
相關推薦
上一篇:甲型平焊法蘭NB/T47021-2012(0.6壓力) ????? 下一篇:甲型平焊法蘭NB/T47021-201(16壓力)
熱點關注
- 國標法蘭蓋型號規格尺寸表
- 化工部法蘭25壓力對焊法蘭尺寸表
- 長頸對焊法蘭NB/T47023-2012(JB/T4703)
- HG5028-58平面法蘭蓋(盲板)尺寸
- 美標法蘭蓋標準尺寸表PN15.0Map(C
- PN42.0MPa(Class2500)美標法蘭蓋標準尺
- 最新不銹鋼法蘭價格表
- 甲型平焊法蘭NB/T47021-2012尺寸
- 化工部平焊法蘭25壓力尺寸
- PN5.0(Class300)美標法蘭蓋標準尺
- 2020年平焊法蘭帶頸法蘭對焊法蘭
- 對焊法蘭規格尺寸對照表
- 法蘭密封面尺寸
- PN1.6Mpa(16壓力)國標法蘭蓋標準
- 管螺紋法蘭尺寸對照表
- 甲型平焊法蘭NB/T47021-2012(0.6壓力
- 管螺紋法蘭規格查詢表
- JIS鍛件日標不銹鋼法蘭下料重量對
- JB/T81-94平焊法蘭尺寸表
- 松套法蘭PN10壓力尺寸表